版权所有 © 2020-2021 今年会机械有限公司 版权所有. 苏ICP备11001234号-1 网站地图
邱经理:13601566060 / 今年会:18020239038


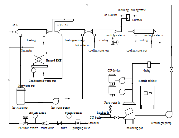
主要用于果汁、茶饮料、鲜奶、葡萄酒等热敏性液体的杀菌、保温、冷却,杀菌温度在85℃-135℃。